Nouvelles:

nouvelles rubriques essais moto mises en ligne

Menu principal

Composition du kit récepteur d'embrayage...

Démarré par Gilou64, 27 Juillet 2016 à 19:08:29

« précédent - suivant »

Gilou64

Bonsoir tout le monde. Jeudi dernier, j'ai démonté mon récepteur et à l'intérieur j'avais: un joint de piston un ressort et un "cache poussière". Je reçois ce matin un kit Tourmax, il y a les m^mes éléments et un que je n'avais pas. C'est un petit joint un peu comme une cuvette qui semble être prévu pour aller sur la partie la plus étroite du ressort. Le fond de ce joint possède une armature métallique. Sa place est elle bien sur le petit côté du ressort?  Merci d'avance. 8)

xris

#1
Bonsoir,
voici la composition du kit reçu :



voici la position des pièces :




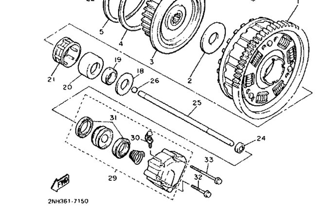
Sur le kit, j'ai mis les numéros des pièces :
1 & 2 correspondent à 31, le joint d'étanchéité intérieur (Attention au sens de montage !), et le pare-poussières.
3 est le ressort intérieur, pas numéroté sur le schéma yamaha
4 est le capuchon de la vis de purge 30
5 est le joint spy 24 du schéma yamaha.

Pour le monter, il faut retirer la tige de débrayage 25 en faisant très attention à ne pas perdre la bille 26 qui peut venir avec au démontage. Elle s'enlève avec les doigts en tirant dessus.
retirer le spy 24 en tirant vers l'extérieur, c'est assez dur car le caoutchouc colle et il ne faut pas rayer la portée du carter !
Replacer la bille dans l'alésage de l'arbre si elle est sortie.
Remettre le joint 5 en position 24 dans le bon sens avec une douille du diamètre exact extérieur du joint spy et frapper au maillet pour le mettre en place.
Surtout pas d'autre méthode sinon tu vas le déformer.
Huiler les lèvres du joint et la tige, remettre la tige extrémité plate vers la bille, arrondie vers l'extérieur, remonter le récepteur.

Précautions particulières :
1- Ne pas utiliser de tournevis pour monter le joint d'étanchéité 1, mais un objet bien arrondi ( manche de cuillère en argent de mémé)
2- Le "vé" va vers le fond
3- Il faut mettre le lubrifiant spécial fourni avec le kit et surtout rien d'autre, surtout pas de graisse. Ce lubrifiant doit être mis sur tout le piston métallique avec les doigts, et dans les gorges, ainsi que sur les deux caoutchoucs (1 & 2).
4- le ressort se rentre légèrement à force dans le téton du piston et tient seul une fois bien monté.
5- tant que le pare-poussières n'est pas complètement emboité, le piston ressortira tout seul, c'est normal.
6- si le bord du piston est oxydé, tu peux le passer au papier 400 ou 600. Attention à ne pas rayer l'alésage en alu du récepteur avec du papier de verre.

C'est tout.

Gilou64

Un énorme merci, ça c'est de l'info de première qualité!!! :-*